Trybotics Logo

Convert CB Transceiver to 50MHz © GPL3+

DESCRIPTION

I have choosen this CB transceiver because it can not be used here in the Netherlands legally on 27MHz. There is no FM on it and originally it has only 40 channels. There are other brands like Palomar, Universe and President that use the same PCB with 7.8MHz IF, which can also be used.

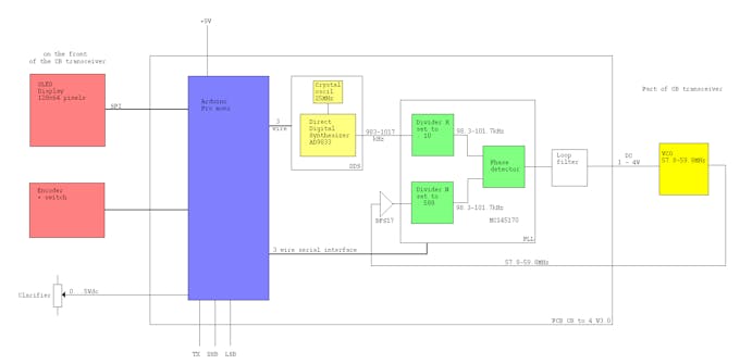
For this project, I designed a PCB on which there is an Arduino, DDS and a PLL. The PCB is connected to an OLED display, encoder with switch, a potmeter, and to the CB transceiver.

In the CB transceiver the PLL, reference oscillators, display and channel switch are removed and their function is take over by the PCB.

The RF circuits of receiving part and the transmitting part that are tuned to 27MHz are changed to 50MHz. This hardest part of the project was to solve oscillation of the transmitter by adding sufficient decoupling, shielding and grounding.

The Arduino has some inputs: - encoder with switch -clarifier potmeter - USB, lsb mode and transmit.

The Arduino has some outputs to: -OLED display -PLL - DDS

The VCO in the transceiver can be tuned from 57.8MHz to 59.8MHz. This is 7.8MHz (Intermediate frequency of the transceiver) above the actual working frequency of 50 to 52MHz. The VCO frequency is divided by a factor 588 in the PLL. The phase comparitor of the PLL works at about 100kHz. That is also the frequency the DDS makes. The DDS makes the reference frequency of the PLL. This way a very small frequency grid of 10Hz can be used. This is very conveinient when working in SSB.

The clarifier potmeter is in the original design connected to a reference oscillator. This oscillator is removed and the botmeter is connected to an analog input (A7) of the arduino. The receiving frequency can be changed + and - 512 Hz by tuning the clarifier. During transmitting it is disabled in the software.

In the next block diagram i hope to make things more clear:

Picture with the channel switch and display removed:

Now added an OLED display and encoder switch:

And how the firmware is uploaded to the transceiver:

A film of how the actual transceiver is working at 50MHz:

And it does not only work on 50MHz , but i have been able to add the PCB to a MAJOR M588 which is converted to the 70MHz band. This band is only legal in Europe as far as i know.

Description:

11113 01
SparkFun Arduino Pro Mini 328 - 5V/16MHz
×1
Arduino AD9833 DDS PCB
×1
NXP MC145170 PLL
×1
Oled 128x64 0.96" SPI
×1
Mitsubishi PowerFET RD16HHF1
×1

Description:

09507 01
Soldering iron (generic)
Spectrumanalyser HP141T

Description:

I have choosen this CB transceiver because it can not be used here in the Netherlands legally on 27MHz. There is no FM on it and originally it has only 40 channels. There are other brands like Palomar, Universe and President that use the same PCB with 7.8MHz IF, which can also be used.

For this project, I designed a PCB on which there is an Arduino, DDS and a PLL. The PCB is connected to an OLED display, encoder with switch, a potmeter, and to the CB transceiver.

In the CB transceiver the PLL, reference oscillators, display and channel switch are removed and their function is take over by the PCB.

The RF circuits of receiving part and the transmitting part that are tuned to 27MHz are changed to 50MHz. This hardest part of the project was to solve oscillation of the transmitter by adding sufficient decoupling, shielding and grounding.

The Arduino has some inputs: - encoder with switch -clarifier potmeter - USB, lsb mode and transmit.

The Arduino has some outputs to: -OLED display -PLL - DDS

The VCO in the transceiver can be tuned from 57.8MHz to 59.8MHz. This is 7.8MHz (Intermediate frequency of the transceiver) above the actual working frequency of 50 to 52MHz. The VCO frequency is divided by a factor 588 in the PLL. The phase comparitor of the PLL works at about 100kHz. That is also the frequency the DDS makes. The DDS makes the reference frequency of the PLL. This way a very small frequency grid of 10Hz can be used. This is very conveinient when working in SSB.

The clarifier potmeter is in the original design connected to a reference oscillator. This oscillator is removed and the botmeter is connected to an analog input (A7) of the arduino. The receiving frequency can be changed + and - 512 Hz by tuning the clarifier. During transmitting it is disabled in the software.

In the next block diagram i hope to make things more clear:

Picture with the channel switch and display removed:

Now added an OLED display and encoder switch:

And how the firmware is uploaded to the transceiver:

A film of how the actual transceiver is working at 50MHz:

And it does not only work on 50MHz , but i have been able to add the PCB to a MAJOR M588 which is converted to the 70MHz band. This band is only legal in Europe as far as i know.

Description:

50MHz_OLED_PLL_DDSArduino
This software is used in an converted CB transceiver
It reads an encoder switch and sends data to an OLED display , PLL and DDS
/* Display for CB transceiver Arduino mini and SSD1606 Display
 * Pins used :
 * Display D0=4  D1=5 Reset =6  DC=7
 * Encoder  pin 2 , pin3 , Switch =A0 
 * PLL      10 , 11 , 12
 */
#include <Arduino.h>
#include <U8g2lib.h>

#ifdef U8X8_HAVE_HW_SPI
#include <SPI.h>
#endif
#ifdef U8X8_HAVE_HW_I2C
#include <Wire.h>
#endif
#define pulseLow(pin) {digitalWrite(pin, LOW); digitalWrite(pin, HIGH); }

int encoderPin1 = 3;             // encoder
int encoderPin2 = 2;             // encoder
int lsbpin = 18  ;                   // assign LSB to pin D18/A4 pin D13 (spare) happen to be connected to a LED on the pro mini PCB
int usbpin = 8  ;                   // assign usb to D8
int txpin= 9;                         // assign tx to D9
int PLL_enb = 11;                 // assign PLL enable to D11
int PLL_dta = 10;                  // assign PLL data to D10
int PLL_clk = 12;                   // assign PLL clock to D12
int DDS_SDA = 17;
int DDS_SCL = 16;
int DDS_Fsync = 15;
volatile int lastEncoded = 0;    // encoder
long lastencoderValue = 0;       // encoder
int lastMSB = 0;                     // encoder
int lastLSB = 0;                      // encoder
int encoderValue = 0;            // encoder
long rx=100000;                     // Starting frequency of VFO in 1Hz steps
const char* hertz = "PA5HE";
int  hertzPosition = 5;
long rx2=1;                    // variable to hold the updated frequency
long increment = 10000;     // starting VFO update increment in 10kHZ.
int buttonstate = 0;                          // if the button is pressed or not
int memstatus = 1;                          // value to notify if memory is current or old. 0=old, 1=current.
int_fast32_t timepassed = millis(); // int to hold the arduino millis since startup
int mode, oldmode =0;
int oldpotmeterValue=512;   //mid position potmeter
/*
  U8glib Example Overview:
    Frame Buffer Examples: clearBuffer/sendBuffer. Fast, but may not work with all Arduino boards because of RAM consumption
    Page Buffer Examples: firstPage/nextPage. Less RAM usage, should work with all Arduino boards.
    U8x8 Text Only Example: No RAM usage, direct communication with display controller. No graphics, 8x8 Text only.
    
  This is a page buffer example.    
*/

// Please UNCOMMENT one of the contructor lines below
// U8g2 Contructor List (Picture Loop Page Buffer)
// The complete list is available here: https://github.com/olikraus/u8g2/wiki/u8g2setupcpp
// Please update the pin numbers according to your setup. Use U8X8_PIN_NONE if the reset pin is not connected
U8G2_SSD1306_128X64_NONAME_1_4W_SW_SPI u8g2(U8G2_R0, /* clock=*/ 4, /* data=*/ 5, /* cs=*/ U8X8_PIN_NONE, /* dc=*/ 7, /* reset=*/ 6);
//U8G2_SSD1306_128X64_NONAME_1_4W_HW_SPI u8g2(U8G2_R0, /* cs=*/ 12, /* dc=*/ 4, /* reset=*/ 6);	// Arduboy (Production, Kickstarter Edition)
//U8G2_SSD1306_128X64_NONAME_1_4W_HW_SPI u8g2(U8G2_R0, /* cs=*/ 10, /* dc=*/ 9, /* reset=*/ 8);
//U8G2_SSD1306_128X64_NONAME_1_3W_SW_SPI u8g2(U8G2_R0, /* clock=*/ 13, /* data=*/ 11, /* cs=*/ 10, /* reset=*/ 8);
//U8G2_SSD1306_128X64_NONAME_1_HW_I2C u8g2(U8G2_R0, /* reset=*/ U8X8_PIN_NONE);
//U8G2_SSD1306_128X64_NONAME_1_SW_I2C u8g2(U8G2_R0, /* clock=*/ 13, /* data=*/ 11, /* reset=*/ 8);
//U8G2_SSD1306_128X64_NONAME_1_SW_I2C u8g2(U8G2_R0, /* clock=*/ SCL, /* data=*/ SDA, /* reset=*/ U8X8_PIN_NONE);   // All Boards without Reset of the Display
//U8G2_SSD1306_128X64_NONAME_1_6800 u8g2(U8G2_R0, 13, 11, 2, 3, 4, 5, 6, A4, /*enable=*/ 7, /*cs=*/ 10, /*dc=*/ 9, /*reset=*/ 8);
//U8G2_SSD1306_128X64_NONAME_1_8080 u8g2(U8G2_R0, 13, 11, 2, 3, 4, 5, 6, A4, /*enable=*/ 7, /*cs=*/ 10, /*dc=*/ 9, /*reset=*/ 8);
//U8G2_SSD1306_128X64_VCOMH0_1_4W_HW_SPI u8g2(U8G2_R0, /* cs=*/ 10, /* dc=*/ 9, /* reset=*/ 8);	// same as the NONAME variant, but maximizes setContrast() range
// End of constructor list

void setup(void) {
  u8g2.begin();  
  pinMode(encoderPin1, INPUT);
  pinMode(encoderPin2, INPUT);
  pinMode(usbpin,INPUT);
  pinMode(lsbpin,INPUT);
  pinMode(txpin,INPUT);
  digitalWrite(encoderPin1, HIGH);           //turn pullup resistor on
  digitalWrite(encoderPin2, HIGH);           //turn pullup resistor on
  attachInterrupt(0, updateEncoder, CHANGE); //interrupt connected to the encoder
  attachInterrupt(1, updateEncoder, CHANGE);
  pinMode(A0,INPUT);                         // Connect to a button that goes to GND on push
  digitalWrite(A0,HIGH);                     //turn pullup resistor on
  pinMode(PLL_enb, OUTPUT);                  // All pins connected to the PLL are outputs
  pinMode(PLL_dta, OUTPUT);
  pinMode(PLL_clk, OUTPUT);
  pinMode(DDS_Fsync, OUTPUT);
  pinMode(DDS_SDA, OUTPUT);
  pinMode(DDS_SCL, OUTPUT);  
  resetPLL();
  setupDDS();
  setupPLL();                 //set the PLL 
//  Serial.begin(9600);  //for debugging
}

void loop(void) {
    byte lsb=digitalRead(lsbpin);
    byte usb=digitalRead(usbpin);
    byte tx=digitalRead(txpin);
    mode=lsb+usb+tx;
    int frequencyerror = 400-512;                // add here the frequencyerror at 50MHz in Hz 512 is the offset from the clarifierpotmeter
    int offset=0;                                            //has to do with the 7.8MHz IF of the Palomar
    int potmeterValue = analogRead(A7);                                                                //read potmeter connected to pin 7 10bits ADC 0....1024
    if ((rx != rx2) || (mode!=oldmode)||(potmeterValue!=oldpotmeterValue)){    //determine if something has changed 
           if (rx >=2000000){rx=rx2;};                                                                       // UPPER VFO LIMIT 52.000.0 MHz
           if (rx <=0){rx=rx2;};                                                                                   // LOWER VFO LIMIT 50.000.0 MHz
        if (tx){ offset=frequencyerror+2902-(lsb*5128);}
          else {offset=frequencyerror+(usb*2390)-(lsb*2738)+potmeterValue;}                                  //tx switches the clarifier off
        sendFrequency(rx+offset);                                                                               // frequency is send to the DDS
        showFreq();                                                                                                       //frequency is send to the display
        rx2 = rx;                                                                                                            //memory
           if (rx2 >=2000000){rx2=2000000;};        // Correction in case there have been 2 interrupts
           if (rx2 <=0){rx2=0;};                // 
      }
  buttonstate = digitalRead(A0);                // button is connected to A0
 oldmode=mode;
 oldpotmeterValue=potmeterValue;
    if(buttonstate == LOW) {
        setincrement();        
    };
    if(memstatus == 0){                    // Write the frequency to memory if not stored and 2 seconds have passed since the last frequency change.
      if(timepassed+2000 < millis()){
  //      storeMEM();
        }
      }   
}

void setincrement(){
  if(increment == 10){increment = 50; hertz = "50 Hz";}
  else if (increment == 50){increment = 100;  hertz = "100 Hz";}
  else if (increment == 100){increment = 500; hertz="500 Hz"; }
  else if (increment == 500){increment = 1000; hertz="1 kHz"; }
  else if (increment == 1000){increment = 5000; hertz="5 kHz"; }
  else if (increment == 5000){increment = 10000; hertz="10 kHz"; }
  else if (increment == 10000){increment = 100000; hertz="100 kHz";}
  else{increment = 10; hertz = "10 Hz"; };  
  showFreq(); 
  delay(200);   // added delay to get a more smooth reaction of the push button
}

void updateEncoder(){
int MSB = digitalRead(encoderPin1);        //MSB = most significant bit
int LSB = digitalRead(encoderPin2);         //LSB = least significant bit
int encoded = (MSB << 1) |LSB;               //converting the 2 pin value to single number 
int sum = (lastEncoded << 2) | encoded;    //adding it to the previous encoded value 
if(sum == 0b1101 || sum == 0b0100 || sum == 0b0010 || sum == 0b1011) encoderValue ++; 
if(sum == 0b1110 || sum == 0b0111 || sum == 0b0001 || sum == 0b1000) encoderValue --;  
if(encoderValue == 4) {rx=rx+increment ; encoderValue=0;} // there are 4 changes between one click of the encoder
if(encoderValue == -4) {rx=rx-increment ; encoderValue=0;}   // it can be neccessary to reduce these to 2 for other encoders
lastEncoded = encoded;                    //store this value for next time 

}

void showFreq(){     //   0 frequency     1 frequencystep
   char m_str[2];
   byte millions=rx/1000000;             //MHz
   byte hundredk = ((rx/100000)%10);     //100kHz
   byte tenk = ((rx/10000)%10);               //10kHz
   byte onek = ((rx/1000)%10);                //1kHz
   byte hundreds = ((rx/100)%10);           //100Hz
   byte tens =((rx/10)%10);                      //10Hz
     u8g2.firstPage();
 do {    u8g2.setFont(u8g2_font_logisoso16_tf);
            u8g2.drawStr(0,39,"5");
            u8g2.drawStr(10,39,strcpy(m_str, u8x8_u8toa(millions, 1)));   
            u8g2.drawStr(108,39,strcpy(m_str, u8x8_u8toa(hundreds, 1)));   
            u8g2.drawStr(118,39,strcpy(m_str, u8x8_u8toa(tens, 1)));       
            u8g2.drawStr(0,63,hertz);
            u8g2.setFont(u8g2_font_logisoso38_tn);
            u8g2.drawStr(18,39,".");
            u8g2.drawStr(32,39,strcpy(m_str, u8x8_u8toa(hundredk, 1)));
            u8g2.drawStr(56,39,strcpy(m_str, u8x8_u8toa(tenk, 1)));
            u8g2.drawStr(80,39,strcpy(m_str, u8x8_u8toa(onek, 1)));
         } while ( u8g2.nextPage() );
    timepassed = millis();
    memstatus = 0;           // Trigger memory write
                          };

void resetPLL(void){                          //RA2 enb RA0 clk RA1 dta 
        int counter=0;                           // enable high 5 clocks
        digitalWrite(PLL_enb, HIGH);
        digitalWrite(PLL_clk,LOW);
        while (counter!=5 )
        {  digitalWrite(PLL_clk, HIGH);
           delayMicroseconds(3);
           digitalWrite(PLL_clk, LOW);
          delayMicroseconds(3) ;
            ++counter;   }
        counter =0;
        digitalWrite(PLL_clk, LOW);
        digitalWrite(PLL_dta, LOW);
        digitalWrite(PLL_enb, LOW);
           delayMicroseconds(3);
        while (counter!=3 )
        {  digitalWrite(PLL_clk, HIGH);
          delayMicroseconds(3);
          digitalWrite(PLL_clk, LOW);
          delayMicroseconds(3) ;
           ++counter;
        }
        digitalWrite(PLL_dta, HIGH);
        delayMicroseconds(3);
        digitalWrite(PLL_clk, HIGH);
        delayMicroseconds(3);
        digitalWrite(PLL_clk, LOW);
        digitalWrite(PLL_dta, LOW);
        delayMicroseconds(3);
        digitalWrite(PLL_clk, HIGH);
        delayMicroseconds(3);
        digitalWrite(PLL_clk, LOW);
        delayMicroseconds(3);
        digitalWrite(PLL_enb, HIGH);
                }
                

void sendFrequency(double frequency) {                            // frequency in hz above 50MHz
            frequency +=  57800000 ;                                        //add IF and basefrequency 
            long freq = frequency *268435456/1470000000;    // 25 MHz clock on AD9833
                                                                                              // 1470 = 58.8 x 25Mhz  
            //       Serial.print(freq,DEC); // DEBUG
            //       Serial.print("\n");   
             digitalWrite(DDS_Fsync, LOW);
            tfr_byte(0x2000);                     //control word
            
             digitalWrite(DDS_Fsync, HIGH);
              digitalWrite(DDS_Fsync, LOW);

            tfr_byte(0x4000|(freq & 0x3FFF)); //LSB first
            freq>>=14;
            tfr_byte(0x4000|(freq & 0x3FFF));  //MSB next
             digitalWrite(DDS_Fsync, HIGH);
                                                    }                         
                                                                         
void tfr_byte(unsigned int data)  {                       // transfers 16 bits, MSB first to the 9833 via serial DDS_SDA line
                       for (int i=0; i<16; i++, data<<=1) { 
                      if ((data&0x8000) == 0) { digitalWrite(DDS_SDA,0);}
                      else                               {digitalWrite(DDS_SDA,1); }
                      pulseLow(DDS_SCL);                                         //after each bit sent, CLK is pulsed low
                                                                    }
                            
                                                    }


void pllregister(unsigned int count,unsigned int bits){ 
    digitalWrite(PLL_enb, LOW);
    digitalWrite(PLL_clk, LOW);
unsigned int mask ;
 mask = 0x01UL << (count-1);
   while (count!=0) 
   { if ((mask&bits) != 0){
          digitalWrite(PLL_dta, HIGH);              // dta to 1
          delayMicroseconds(3);                       // not too fast
          digitalWrite(PLL_clk, HIGH);              // clk to 1
          
   }
   else { digitalWrite(PLL_dta, LOW);          // dta to 0
          delayMicroseconds(3);
          digitalWrite(PLL_clk, HIGH);             // clk to 1
          
   }
          delayMicroseconds(3);
          digitalWrite(PLL_clk, LOW);              // clk back to low
          delayMicroseconds(3);
       count--;
       mask=mask>>1;
   }
    digitalWrite(PLL_enb, HIGH);
    digitalWrite(PLL_clk, LOW);
}

void setupDDS(){
   digitalWrite(DDS_Fsync, LOW);
  tfr_byte(0x100);      // reset DDS
  tfr_byte(0x2000);    // set DDS 0x2020=block 0x2000=sine
   digitalWrite(DDS_Fsync, HIGH);
}

void setupPLL() {
     pllregister (8,0x70) ;                           //write C register 70hex
     pllregister (16,0x24C) ;                         //write N register N=588
     pllregister (15,10);                             //write R register 10 = 100kHz 
                }

Description:

Schematic diagram of the additional PCB
PCB with the Arduino , PLL and DDS
Schematic diagram of modified CB transceiver
In red are the modifications of the transceiver
Palomar ssb 500 om sch n8jo2l50ou
Mixer 7.8 to 50...52MHz
This small PCB with a balanced mixer is used to replace the mixer dual gate mosfet. The FET must be replaced because of the needed suppression of the VCO
Mixer 6 meter 10timpshlw


YOU MIGHT ALSO LIKE